|
|
|
| 高压限流熔断器系列 |
您现在的位置:首页 > 高压限流熔断器系列 |
|
RN1-3-300
RN1-3/300 | | | | 
| | 熔体管结构 | | 熔断管是熔断器的主要部件,它是由熔丝装在瓷管中,在并瓷管中充填石英砂,两端密封而成。额定电流在7.5A以下及额定电压为35V的熔管,其熔丝是绕在特制的瓷芯上,如图2.a;额定电流在7.5A以上的熔体管;其熔丝是悬挂在瓷管中如图2.b。 | | | | 安装尺寸 | 
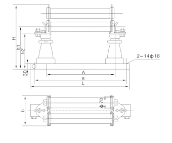
| | | 产品型号
| 型号 | 额定电压(KA) | 额定电流(A) | 主要尺寸 | | A | a | L | h2 | h1 | H | b | | RN1-3/300 | RN3 | 3 | 300 | 270 | 400 | 450 | 201 | 247 | 389 | 108 | | RN1-3/400 | RN3 | 400 | | RN1-6/300 | RN3 | 6 | 300 | 370 | 500 | 550 | 201 | 247 | 389 | 108 | | RN1-10/150 | RN3 | 10 | 150 | 470 | 600 | 650 | 226 | 272 | 414 | 108 | | RN1-10/200 | RN3 | 200 |
|
|
| |
| | |
|
|