销售代表
首页
关于我们
新闻资讯
产品中心
客户服务
工程案例
联系我们
高压系列
高压限流熔断器系列
户外高压真空断路器系列
户内高压真空断路器系列
户外高压隔离真空负荷开关系
户外六氟化硫断路器系列
户内高压真空负荷开关系列
户内高压隔离开关系列
户外高压隔离开关系列
户内高压接地开关系列
高压配件系列
穿墙套管系列
带电显示器系列
绝缘子系列
复合悬式绝缘子
复合针式绝缘子
复合横担绝缘子
复合支柱绝缘子
瓷复合绝缘子
标准型悬式瓷绝缘子
防污型悬式瓷绝缘子
标准型悬式玻璃绝缘子
防污型悬式玻璃绝缘子
针式、柱式、蝶式、瓷绝缘子
棒形支柱瓷绝缘子
低压系列
交流接触器
小型断路器
塑壳断路器
低压隔离开关
金具系列
电力金具
仪器仪表系列
电表
防爆电气系列
防爆仪表
防爆电器
油库专用设备
电磁阀
防爆附件
防爆灯具
穿墙套管系列
您现在的位置:首页 > 穿墙套管系列
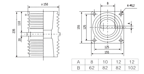
TG1-10Q-210 (125×125)套管
TG1-10Q/210
(125×125)套管
外形尺寸
上一个:TG4-10Q-128 (100×100)套管
下一个:TG1-10Q-180 (152×152)套管
2015 @ 上海湘开电气有限公司 版权所有 地 址:上海市奉贤区金钱公路2215号 沪ICP备15005124号
电 话:021-60510112 传 真:021-51010435 网 址:www.shxiangkai.cn 邮 箱:475662410@qq.com