|
|
|
| 穿墙套管系列 |
您现在的位置:首页 > 穿墙套管系列 |
|
CWW-20-3000A
CWW-20/3000A | | | | 
| | 外形尺寸 | 
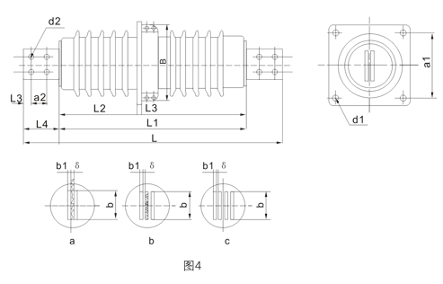
| | | | 型号 | 图号 | 额定电压 (kV) | 额定电流 (A) | 5秒钟短时 电流(kA) 不小于 | 户外端 公称爬 电距离 | 工频电压(kV)不小于 | BIL kV Peak 不小于 | 弯曲破 坏负荷 不小于
| 重量 (kg) | | 干耐受 | 湿耐受 | 击穿 | 可见电晕 | | CWWL-10/2000 | 3a | 10 | 2000 | 40 | 230 | 47 | 30 | 75 | - | 80 | 8 | 17 | | CWWL-10/3150 | 3b | 10 | 3150 | 60 | 230 | 47 | 30 | 75 | - | 80 | 8 | 20 | | CWWL-10/4000 | 3c | 10 | 4000 | 80 | 260 | 47 | 30 | 75 | - | 80 | 16 | 30 | | CWW-20/2000 | 4a | 20 | 2000 | 40 | 400 | 75 | 50 | 120 | 14.8 | 125 | 8 | 29 | | CWW-20/3150 | 4b | 20 | 3150 | 60 | 400 | 75 | 50 | 120 | 14.8 | 125 | 8 | 32.7 |
| | | | L | L1 | L2 | L3 | L4 | B | d1 | d2 | a1 | a2 | a3 | b | b1 | δ | | 600 | 365 | 158 | 14 | 115 | 200 | 4-φ14 | 4-φ18 | 200 | 50 | 25 | 100 | 10 | 10 | | 600 | 365 | 158 | 14 | 115 | 200 | 4-φ14 | 4-φ18 | 200 | 50 | 25 | 100 | 12 | 10~12 | | 670 | 388 | 165 | 18 | 135 | 280 | 4-φ18 | 4-φ20 | 260 | 60 | 30 | 120 | 12 | 10~12 | | 835 | 590 | 255 | 14 | 115 | 250 | 4-φ15 | 4-φ18 | 220 | 50 | 25 | 100 | 10 | 10 | | 835 | 590 | 255 | 14 | 115 | 250 | 4-φ15 | 4-φ18 | 220 | 50 | 25 | 100 | 12 | 10~12 |
|
|
| |
| | |
|
|