|
|
|
| 穿墙套管系列 |
您现在的位置:首页 > 穿墙套管系列 |
|
ZD-10F
ZD-10F | | | | 
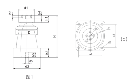
| | 外形尺寸 | 
| | | | 额定电压(kV) | 工频电压、千伏(有效值)不小于(kV) | 全被冲击耐受电压千伏 (幅值)不小于(kV) | | 干耐受 | 击穿 | | 6 | 36 | 58 | 60 | | 10 | 47 | 75 | 80 | | 20 | 68 | 119 | 125 | | 35 | 100 | 175 | 185 |
| | | | 型号 | 图号 | 主要尺寸(mm) | 重量(Kg) | | H | h1 | h2 | h3 | h4 | h5 | D | d1 | d2 | d3 | d4 | d5 | a1 | a2 | | ZA-6Y | 1a | 165 | 27 | 36 | 6 | 13 | 20 | 86 | 62 | 106 | 2-M6 | M10 | M12 | 36 | - | 2.10 | | ZA-6T | 1b | 165 | 27 | 36 | 6 | 13 | 10 | 86 | 62 | 110 | 2-M6 | M10 | 2-Φ12 | 36 | 135 | 2.40 | | ZB-6Y | 1a | 185 | 38 | 48 | 7 | 18 | 22 | 106 | 82 | 133 | 2-M10 | M16 | M16 | 46 | - | 4.20 | | ZB-6T | 1b | 185 | 38 | 48 | 7 | 18 | 12 | 106 | 82 | 135 | 2-M10 | M16 | 2-Φ15 | 46 | 137 | 4.90 | | ZA-10Y | 1a | 190 | 27 | 36 | 6 | 13 | 20 | 86 | 66 | 110 | 2-M6 | M10 | M12 | 36 | - | 2.30 | | ZA-10T | 1b | 190 | 27 | 36 | 6 | 13 | 10 | 86 | 66 | 110 | 2-M6 | M10 | 2-Φ12 | 36 | 135 | 2.30 | | ZB-10Y | 1a | 215 | 38 | 48 | 7 | 18 | 22 | 106 | 82 | 132 | 2-M10 | M16 | M16 | 46 | - | 5.10 | | ZB-10T | 1b | 215 | 38 | 48 | 7 | 18 | 12 | 106 | 82 | 135 | 2-M10 | M16 | 2-Φ15 | 46 | 137 | 5.20 | | ZC-10F | 1c | 225 | 42 | 46 | 11 | 20 | 15 | 135 | 98 | - | 2-M10 | M16 | - | - | 140 | 7.70 | | ZD-10F | 1c | 235 | 46 | 53 | 14 | 22 | 18 | 170 | 128 | - | 4-M12 | M16 | - | - | 155 | 12.20 | | ZD-20F | 1c | 315 | 46 | 60 | 14 | 22 | 18 | 180 | 128 | - | 4-M12 | M16 | - | - | 175 | 15.50 | | ZA-35Y | 2a | 380 | 38 | 48 | 7 | - | 22 | 120 | 82 | - | M8 | M12 | - | - | - | 8.30 | | ZA-35T | 2d | 380 | 38 | 46 | 7 | - | 12 | 120 | 82 | - | 2-M8 | M12 | - | - | 175 | 9.00 | | ZB-35F | 2c | 400 | 40 | 60 | 10 | - | 18 | 150 | 98 | - | 4-M10 | M2 | - | - | 155 | 12.90 |
|
|
| |
| | |
|
|