|
|
|
| 穿墙套管系列 |
您现在的位置:首页 > 穿墙套管系列 |
|
ZN-20-16
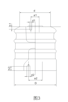
ZN-20/16 | | | | 
| | 外形尺寸 | 
| | | | 型号 | 图号 | 主要尺寸(mm) | 重量(Kg) | | H | D | d | d1 | d2 | a1 | a2 | h1 | h2 | | ZN-6/4 | 3 | 100 | 78 | 60 | 2-M8 | M12 | 18 | - | 18 | 20 | 1.25 | | ZN-10/4 | 3 | 120 | 82 | 62 | M10 | M12 | - | - | 20 | 20 | 1.6 | | ZN-10/8 | 3 | 120 | 100 | 82 | 2-M10 | M16 | 24 | - | 18 | 25 | 2.5 | | ZN-10/8N | 3 | 120 | 100 | 82 | M16 | M16 | - | - | 18 | 25 | 2.5 | | ZN-10/16 | 3 | 170 | 152 | - | 2-M12 | M20 | 36 | - | 18 | 30 | 7.3 | | ZN-20/16 | 3 | 230 | 152 | - | 2-M12 | M20 | 36 | - | 18 | 35 | 6.2 | | ZN-20/30 | 3 | 230 | 185 | - | 2-M16 | 2-M10 | 46 | 46 | 24 | 30 | 14.0 | | ZL-10/4 | 4 | 160 | 72 | - | M10 | 2-Φ12 | 130 | - | 20 | - | 2.4 | | ZL-10/8 | 4 | 170 | 86 | - | M16 | 2-Φ14 | 145 | - | 25 | - | 3.5 | | ZL-10/16 | 5 | 185 | 110 | - | M16 | 2-Φ14 | 180 | - | 25 | - | 5.5 | | ZL-10/16 | 5 | 265 | 125 | - | M16 | 2-Φ14 | 210 | - | 25 | - | 12.5 | | ZL-20/30 | 5 | 290 | 160 | - | M20 | 2-Φ16 | 250 | - | 25 | - | 21.3 | | ZL-35/4Y | 6 | 380 | 90 | - | 2-M8 | M16 | 36 | - | 8 | 60 | 6.6 | | ZL-35/4 | 7 | 380 | 90 | - | 2-M8 | 2-Φ14 | 36 | 145 | 8 | 60 | 6.2 | | ZL-35/8 | 8 | 400 | 110 | - | 2-M10 | 4-Φ14 | 46 | 180 | 12 | 66 | 10.7 | | ZLA-35GY | 7 | 445 | 105 | - | 2-M8 | 2-Φ12 | 36 | - | 8 | 70 | 10.4 | | ZLB-35GY | 8 | 450 | 125 | - | 2-M8 | 4-Φ14 | 36 | - | 12 | 66 | 11.4 | | ZLD-10F | 5 | 215 | 115 | - | 4-M12 | 4-Φ15 | - | - | - | - | 9.7 |
|
|
| |
| | |
|
|