|
|
|
| 穿墙套管系列 |
您现在的位置:首页 > 穿墙套管系列 |
|
ZS-10-4
ZS-10/4 | | | | 
| | 外形尺寸 | 
| | | | 型号 | 图号 | 额定电压 kV | 弯曲强度 kN | 扭转负荷 kN.m | 爬电距离 mm | 雷电全波冲击 耐受电压 kV | 工频干耐受 电压 kV | 工频湿耐受 电压 kV | 重量 kg | | ZS-10/5L | 9 | 10 | 5 | - | 230 | 75 | 40 | 28 | 6 | | ZS-10/4 | 10 | 10 | 4 | - | 230 | 75 | 40 | 28 | 6 | | ZS-20/10 | 12 | 20 | 10 | - | 400 | 150 | 75 | 50 | 18 | | ZS-20/8 | 11 | 20 | 8 | - | 400 | 150 | 75 | 50 | 14.5 | | ZS-20/16 | 12 | 20 | 16 | - | 470 | 150 | 75 | 50 | 14.5 | | ZS-20/30 | 12 | 20 | 30 | - | 470 | 150 | 75 | 50 | 32 | | ZS-35/30-G | 12 | 20 | 30 | - | 575 | 170 | 100 | 70 | 32.6 | | ZS-35/6L | 14 | 35 | 6 | 3 | 648 | 170 | 100 | 70 | 17 | | ZS-35/8 | 12 | 35 | 8 | 2 | 625 | 170 | 100 | 70 | 16 | | ZS-35/4K | 13 | 35 | 4 | 2 | 648 | 170 | 100 | 70 | 12 |
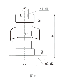
| | | | 型号 | 总高 H | 最大半径 D | 干弧距离 mm | 伞数 | h1 | h2 | 上部安装尺寸 (n1-d1-a1) | 下部分安装尺寸 (n1-d1-a1) | | ZS-10/5L | 220 | 140 | 125 | 2 | 10 | 15 | 2-M8-36 | 4-M10-Φ55 | | ZS-10/4 | 210 | 140 | 123 | 2 | 10 | 12 | 2-M8-36 | 2-Φ12-Φ130 | | ZS-20/10 | 350 | 180 | 224 | 4 | 15 | 20 | 4-M12-Φ140 | 4-Φ18-Φ210 | | ZS-20/8 | 350 | 165 | 217 | 4 | 15 | 14 | 2-M12-76(中M16) | 4-Φ14-Φ180 | | ZS-20/16 | 350 | 190 | 218 | 5 | 15 | 20 | 4-M12-Φ140 | 4-Φ18-Φ210 | | ZS-20/30 | 400 | 205 | 222 | 5 | 15 | 25 | 4-M12-Φ140 | 4-Φ18-Φ250 | | ZS-35/30-G | 450 | 205 | 272 | 5 | 15 | 25 | 4-M12-Φ140 | 4-Φ18-Φ225 | | ZS-35/6L | 420 | 165 | 308 | 7 | 15 | 15 | 4-M12-Φ140 | 4-M12-Φ140 | | ZS-35/8 | 420 | 165 | 306 | 6 | 15 | 14 | 4-M12-Φ140 | 4-Φ14-Φ180 | | ZS-35/4K | 400 | 150 | 300 | 7 | 15 | 14 | 4-Φ14-Φ140 | 4-Φ14-Φ140 |
|
|
| |
| | |
|
|